SHARE THIS:
Link: https://www.mihartingtooling.com/applications/mold-manufacturing.html

Precision Mold Manufacturing & Processing for Power Equipment

Against the backdrop of increasingly tight global energy supply and rising oil prices, the demand for power generation equipment is becoming more and more obvious. In the manufacturing process of power generation equipment, the cost of NC bending machine molds is very high.

The specific applications and advantages of the power generation equipment manufacturing industry in the mold manufacturing industry are as follows:

Specific Applications
The power generation equipment manufacturing industry, especially the wind power generation equipment manufacturing industry, has a wide range of applications for mold technology. Mold technology plays a vital role in the manufacturing process of wind power generation equipment, covering multiple links such as mold design, manufacturing, product molding and processing.

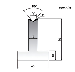
1. Mold design and manufacturing: Design molds according to the needs of wind power generation equipment, and use advanced manufacturing technologies such as CNC machining to manufacture high-precision molds.

2. Product molding: Use molds to mold parts of wind power generation equipment, such as wind power foundation bases, to ensure that the shape, size and precision of the product meet the design requirements.

3. Processing optimization: Through the application of mold technology, the processing technology of wind power generation equipment can be optimized to improve production efficiency and product quality.

Advantages of Power Generation Equipment Manufacturing Industry
The application of mold technology in the power generation equipment manufacturing industry brings many advantages:

1. Improve production efficiency: mold technology can greatly improve the production efficiency of wind power generation equipment, shorten the production cycle, and meet market demand.

2. Ensure product quality: The high precision and stability of mold manufacturing ensure the dimensional accuracy and shape consistency of wind power generation equipment parts, thereby improving the performance and reliability of the whole machine.

3. Reduce costs: By optimizing mold design and processing technology, material waste and processing time can be reduced, and the manufacturing cost of wind power equipment can be reduced.

4. Promote technological innovation: The continuous innovation and application of mold technology has promoted the technological progress and industrial upgrading of the power generation equipment manufacturing industry, and provided strong support for the sustainable development of the industry.

In summary, mold technology has broad application prospects and significant advantages in the power generation equipment manufacturing industry, and is an important force to promote the development of the industry.


read more..


Search for Precision Mold Manufacturing & Processing for Power Equipment in the web..

Precision Mold Manufacturing & Processing for Power Equipment

Latest links

188bet - Plataforma Líder de Apostas Esportivas e Cassino Online no Brasil

188bet - Plataforma Líder de Apostas Esportivas e Cassino Online no Brasil

188bet oferece apostas esportivas, cassino ao vivo e jogos online com bônus exclusivos. Experimente ..

[[View rating and comments]]
submitted at 07.12.2025
KK55 🥇 Nhà Cái Top 1 | Khuyến Mãi 58K Cho Tân Thủ

KK55 🥇 Nhà Cái Top 1 | Khuyến Mãi 58K Cho Tân Thủ

Tham gia KK55 để nhận ngay 58K miễn phí khi đăng ký. Sân chơi uy tín, nạp rút nhanh, bảo mật hiện đạ..

[[View rating and comments]]
submitted at 07.12.2025
Liberty Token™ | US Official Website

Liberty Token™ | US Official Website

The Liberty Token is a limited-edition collectible designed to symbolize American pride, independenc..

[[View rating and comments]]
submitted at 07.12.2025
Tangerine Massage Cairns - Relax Massage, 按摩

Tangerine Massage Cairns - Relax Massage, 按摩

Address: 91 Grafton St, Cairns City, QLD 4870 Phone: 0452387686 Hours: Open 7 Days, 8am-11pm Fb: ..

[[View rating and comments]]
submitted at 07.12.2025
Startseite - Ristorante Capri

Startseite - Ristorante Capri

Willkommen im Capri! Sie lieben italienisches Eis und können dem Duft von frisch gebackener Pizza ei..

[[View rating and comments]]
submitted at 07.12.2025
https://owasp.glueup.com/resources/protected/organization/6727/form/f32f9777-63a9-4b16-bdb0-f77783ef3d02.pdf

https://owasp.glueup.com/resources/protected/organization/6727/form/f32f9777-63a9-4b16-bdb0-f77783ef3d02.pdf

https://owasp.glueup.com/resources/protected/organization/6727/form/f32f9777-63a9-4b16-bdb0-f77783ef..

[[View rating and comments]]
submitted at 06.12.2025
https://owasp.glueup.com/resources/protected/organization/6727/form/39ed3028-2e3b-4a48-a9db-98c1396b2168.pdf

https://owasp.glueup.com/resources/protected/organization/6727/form/39ed3028-2e3b-4a48-a9db-98c1396b2168.pdf

https://owasp.glueup.com/resources/protected/organization/6727/form/39ed3028-2e3b-4a48-a9db-98c1396b..

[[View rating and comments]]
submitted at 06.12.2025
https://owasp.glueup.com/resources/protected/organization/6727/form/8b77383c-ff8b-4451-a777-ecb0eac4c9a2.pdf

https://owasp.glueup.com/resources/protected/organization/6727/form/8b77383c-ff8b-4451-a777-ecb0eac4c9a2.pdf

https://owasp.glueup.com/resources/protected/organization/6727/form/8b77383c-ff8b-4451-a777-ecb0eac4..

[[View rating and comments]]
submitted at 06.12.2025
https://owasp.glueup.com/resources/protected/organization/6727/form/10a958eb-b676-44fa-9921-6045c65c7ae5.pdf

https://owasp.glueup.com/resources/protected/organization/6727/form/10a958eb-b676-44fa-9921-6045c65c7ae5.pdf

https://owasp.glueup.com/resources/protected/organization/6727/form/10a958eb-b676-44fa-9921-6045c65c..

[[View rating and comments]]
submitted at 06.12.2025
https://owasp.glueup.com/resources/protected/organization/6727/form/7b785c70-e65e-4204-9df6-854b9f7fd80a.pdf

https://owasp.glueup.com/resources/protected/organization/6727/form/7b785c70-e65e-4204-9df6-854b9f7fd80a.pdf

https://owasp.glueup.com/resources/protected/organization/6727/form/7b785c70-e65e-4204-9df6-854b9f7f..

[[View rating and comments]]
submitted at 06.12.2025
Please type a website title

Please type a website title

Please type a website description

[[View rating and comments]]
submitted at 06.12.2025
https://www.reddit.com/user/ShoddyTour4389/

https://www.reddit.com/user/ShoddyTour4389/

https://www.reddit.com/user/ShoddyTour4389/

[[View rating and comments]]
submitted at 06.12.2025
https://www.buzzfeed.com/cas_ualt__urtle574

https://www.buzzfeed.com/cas_ualt__urtle574

https://www.buzzfeed.com/cas_ualt__urtle574

[[View rating and comments]]
submitted at 06.12.2025
MapMyRun | Delta Airlines Senior Discount – 2O25 Guide(( All ⤷ Inclusive ⤷ Guide (US) || in Sparks, Nevada

MapMyRun | Delta Airlines Senior Discount – 2O25 Guide(( All ⤷ Inclusive ⤷ Guide (US) || in Sparks, Nevada

(( ✨(( (+1)ᕯ[844]➡523➡9017 OR +52•(800)•461•1165 Delta Airlines DOES NOT offer a senior citizen disc..

[[View rating and comments]]
submitted at 06.12.2025

Website Info

Category: product molding
Found: 09.10.2025

Rate!!

Please write a comment:

User ratings